Murrelektronik: MB CAP BUFFER MODULE – 85394

April 2, 2025
Murrelektronik MB CAP BUFFER MODULE 85394: A Guarantee for High System Availability
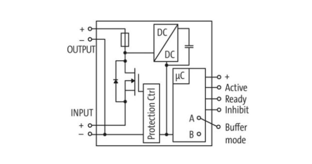
Murrelektronik’s MB CAP BUFFER MODULE 85394 is a safe, intelligent and cost-effective solution. Voltage drops can cause unpleasant effects: interrupt production processes, cause downtime, and require a system resets. They may even cause data loss and machine damage. Murrelektronik’s buffer modules protect power supplies by bridging the time without power supply or enabling a controlled shut down of machines connected to a PC.

BUFFER MODULE 85394 Features
- Always Maintenance-free
- Buffer time up to 38 seconds under full load
- Signal contacts give latest status
- Maximum system uptime
- Slim design
- Wide temperature range from -40°C to +60°C
- LEDs directly on the module
- cULus listed and GL approvals
- Product range from 3, 10, 20 and 40 A











